鉅大鋰電 | 點擊量:0次 | 2018年04月25日
鋰電池為什么會危險
近期,三星Note7手機爆炸事件在各大網絡媒體瘋傳,甚至被央視新聞曝光。這一事件對三星公司無疑是災難性的,對于電子消費者而言也是被鋰電池的強大“威力”所震驚。然而,不可否認的是鋰電池對于人們日常的生活乃至人類文明的發展都是至關重要的,大到電動汽車,小到電子手表,幾乎隨處可見它們的身影。
那么,是什么原因使這個日常生活用品忽然就變成了“定時炸彈”呢?合規化學將在本文中從化學的角度為大家做一個詳細解讀。
一、鋰電池的分類
電池一般分為一次電池(不可反復充電)和二次電池(可反復多次充電)。而鋰電池是一類由鋰金屬或鋰合金為負極材料、使用非水電解質的電池,一般分為兩類:鋰金屬電池和鋰離子電池(包括鋰離子聚合物電池),其最主要的區別在于鋰金屬電池是一次電池,內含金屬態的鋰,如紐扣電池;而鋰離子電池是二次電池,不含有金屬態的鋰,如手機電池。電池的具體分類如圖1所示。

圖1電池分類
其中鋰離子聚合物電池作為二次電池的代表,廣泛應用于手機、平板電腦等便攜電子產品。其原因在于利用聚合物串聯電池結構,使其僅需要少量液體電解質,因此該類電池并不需要硬質外殼做保護,形狀沒有限制,其包裝體積也可大大減少。基于這些特點,鋰離子聚合物電池大有取代傳統鋰離子電池的趨勢。
二、鋰電池的工作原理
目前通常所說的鋰電池特指鋰離子電池,其正負電極由不同的鋰離子嵌入化合物組成,是一種實現化學能與電能相互轉化的裝置。其構造主要由電池正負極組成,如下所示。
正極構造
LiCoO2+導電劑+粘合劑(PVDF)+集流體(鋁箔)
負極構造
石墨+導電劑+增稠劑(CMC)+粘結劑(SBR)+集流體(銅箔)

圖2鋰電池構造
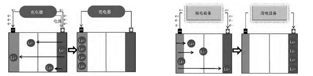
當鋰電池處于充電過程中時,通過充電器發送的電流對鋰離子(Li+)施加推力,從正極穿過電解質到達負電極后,以電化學能的形式存儲起來。當沒有更多的鋰離子從正極流向負極時,說明電池已經充滿電。在此過程中,在電池正負極之間產生的電化學驅動力,稱為終端電壓。如圖3。
當鋰電池處于放電過程中時,附著在負電極的鋰離子開始遷移回正電極,過程中蓄電池繼續放電,終端電壓持續下降。一旦所有鋰離子從正極端子遷移完畢,電池完全放電,則需要再充電后使用。如圖4。

圖3充電過程圖4放電過程
三、鋰電池的危險性
在之前的合規解讀中我們講到,鋰電池或鋰電池組在法規中是作為第9類危險品進行監管的(點擊查看)。其危險性主要集中為以下三點,如表1所示。
表1鋰電池的危險性

四、影響鋰電池安全的因素
1)內部因素
鋰電池的電極材料以及電解質均有易燃性,受熱(內部或外部)即可引起火災,并分解產生氣體,從而加劇了電池爆炸的可能性。而且現如今的高分子隔離膜強度都相對較低,在碰撞或過熱情況下極易損壞這層薄膜,導致電池短路。
同時,制造工藝的缺陷也極易引發鋰電池安全問題。比如電芯極耳過長,與極片或殼體接觸造成短路;極耳壓迫卷芯,導致正負極短路;在兩極之間留下金屬粉末、銅箔、鋁箔碎片等可能導致隔膜穿孔進而引發微短路等系列問題。
2)外部因素
影響鋰電池安全的外部因素則相對較雜,比如過充電、外短路、猛烈撞擊等均可能引發鋰電池自燃。常見的外部因素如表2所示。

表2影響鋰電池安全的外部因素
據美國FAA的相關統計數據表明:1991~2007年間所發生的電池事故中,27%是鋰電池事故,而這些事故中,68%是由于內部或外部短路造成,15%是由于充電或放電造成,7%由于設備意外啟動,10%為其他原因。由此進一步證明,各種因素直接或間接造成的電池內、外部短路,是導致鋰電池安全事故發生的主要原因。

圖5電池事故相關數據統計
就“三星Note7手機爆炸事件”而言,手機爆炸燃燒與其鋰電池的設計缺陷有直接關系,據《科技日報》報道,三星正是為了提升電池的能量密度、延長續航能力,采用了更薄的隔膜材料,才導致電池的陰極和陽極相接觸,發生了電池自燃現象。
五、鋰電池自燃的預防及應急處置對策
當前,鋰離子電池制造商研發了多種方法來降低火災風險,提高安全性能,例如在電池內部設置保護電路,包括過度充電保護、過電流/短路保護和過放電保護。
1)鋰電池自燃的預防方法
盡管可以在電池的生產方面想辦法提高安全性能,減少火災發生的概率,然而消費者在使用過程中也應注意以下幾個方面:
?使用與電池相匹配的充電器為電池充電。為了降低成本,市場充斥著大量的劣質充電器,雖然價格低廉,但是安全性能無法保障。電池充電器本質上是一個小型的變壓器,如果與電池的性能不匹配的話,將會對電池造成損害。
?平時不使用的鋰電池最好放置于結實的絕緣容器之內,并避免使其接觸到水,或置于超過100℃的環境中。
?鋰離子電池充電的合理溫度范圍是0~45℃,放電的合理溫度范圍是-20~60℃。如果電池充電時的溫度低于0℃,那么在電池的正極會析出金屬鋰,使電池對于震動或撞擊更加敏感,增加危險性。
?避免電池被過度充電或過度放電,二者都會破壞電池內部的保護電路。
?大量儲存鋰離子電池的地方,應注意控制環境溫度,避免外力的撞擊。
?任何情況下都不要隨意打開或拆卸電池,否則會造成電池電芯的短路。
2)鋰電池自燃的應急處置對策
盡管采取了一系列的預防措施,但是鋰離子電池發生自燃的可能性仍然存在。如果發生鋰電池自燃,通常來說按照如下的步驟進行應急處理:
?首先切斷電源。出現任何異常情況,應在第一時間切斷電源。
?當電池出現自燃時,應立即對電池做持續的降溫處理,用水撲救是最理想的解決辦法。如果火勢較大,可以使用ABC干粉滅火器或二氧化碳型滅火器撲滅明火,然后再用水給受損的電池持續降溫,并且每5min檢查一下已發生自燃的電池,如果仍舊是發熱,則繼續用水為電池降溫,直至完成冷卻。
?如果可能的話,將受損電池移至開放的安全區域,并迅速疏散周圍的人群。
?在條件允許的情況下,迅速移開發生自燃的電池周圍的可燃物。
?不要對鋰電池用冰塊降溫。因為會導致內部熱量散發不出來,持續的高溫進一步加劇化學反應,此時內部溫度將急速升高,電解質氣體大量積聚,進而引發電池爆炸,其威力和破壞性比電池“平靜的自燃”更可怕。
?即使出現了明火,也應避免使用泡沫滅火器,噴出的泡沫附著在電池外圍形成熱絕緣體,從而增加化學反應,產生更多的熱量。
六、小結
在本文中,我們從鋰電池的分類、工作原理、危險性以及影響安全的因素等幾個方面為大家詳細解答了“鋰電池為什么這么危險”這個疑問,并在文章最后給大家普及了鋰電池自燃的預防及應急處置對策。
我們相信,只要鋰電池生產商嚴格按照質量標準生產和測試,只要使用者或托運者積極了解鋰電池相關知識并遵守相關規定,有“鋰”依舊可以走天下。
上一篇:詳解鋰離子和鋰聚合物電池的區別










